Необходимость создания данного интерфейса возникла в ходе
очередного дачного сезона. Обнаружилось, что на даче, при низком уровне шума
эфира, очень сильно слышны помехи от компьютера. А ведь работать без
электронного лога сейчас уже очень не комфортно. А так же хочется иметь хотя бы
данные о частоте, автоматически вносимые в лог. В общем - без гальванически
развязанного интерфейса не обойтись. А так же требуется подключение выходов
звуковой карты для работы цифровыми видами связи.
Разработанный интерфейс обеспечивает работу с трансиверами
фирмы Yaesu (и другими с управлением через
COM порт). Гальваническая развязка цифрового
интерфейса выполняется при помощи оптопар, а звуковых цепей - через
трансформаторы.
Для универсальности подключения как к стационарным ПК, так и
к ноутбукам используется не подключение к "железному"
COM порту, а переходник USB-UART.
На выходе данного переходника содержится провода RX
(белый), TX (зеленый),
напряжение питание 5В (красный) и общий провод (черный). Напряжение на выходах
переходника соответствует уровням КМОП логики ("1" +5В,
"0" 0 В). Данный переходник
приобретался напрямую из Китая, через магазин eBay.
Найти аналогичный можно, введя в строке поиcка eBay
фразу "USB COM" или "USB UART".

Рис.1. Переходник USB-UART
Поскольку в трансивере применяется классический
COM порт, использующий двухполярное кодирование
логических уровней возникала необходимость в преобразователе уровней - в
качестве которого была выбрана стандартная микросхема MAX232.
Оптопары так же используются самые простые и распространенные
PC-817. Их можно найти в вышедших из строя импульсных блоках питания.
Трансформаторы - от старых Dual-Up
модемов. Эти трансформаторы имеют сопротивление обоих обмоток 100 - 150 Ом (по
постоянному току) и соотношение сопротивлений обмоток 1:1.
Вместо них можно применить любые трансформаторы с близкими параметрами, например
ТОТ-33, ТОТ-34.
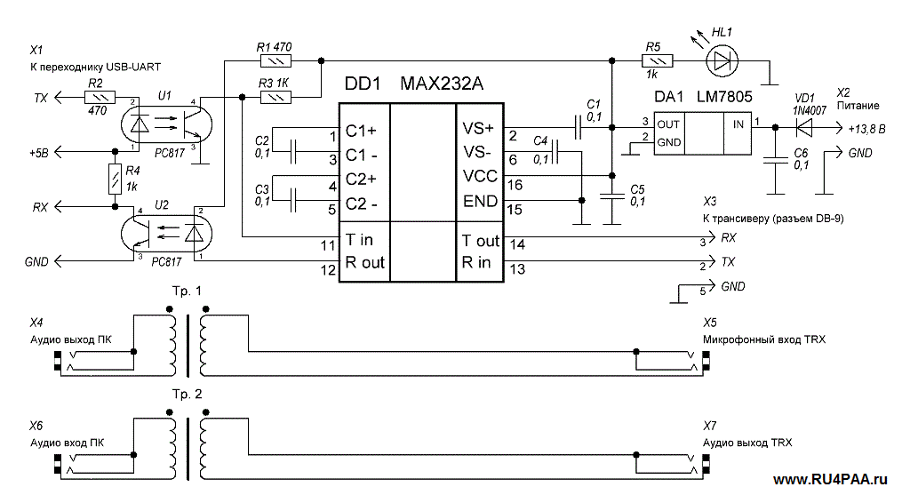
Схема конечного устройства показана на рис. 2.

Рис.2. Интерфейс трансивера с гальванической развязкой. Схема электрическая принципиальная.
В итоге получился простой и надежный CAT-интерфейс.
Печатную плату в формате SprintLayout можно скачать
здесь. Монтаж комбинированный, с применение как классических, так и SMD компонентов.
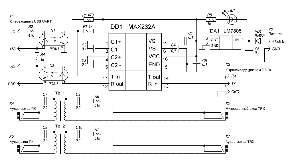
На рис. 3 показана схема дороботанного интерфейса. Разница заключается только в звуковой части: добавлены разделительные конденсаторы и резисторные делители напряжения, которые дают ослабление примерно в 50 раз.

Рис.3. Интерфейс трансивера с гальванической развязкой. Доработанная схема.
В завершении приведу фотографии готового интерфейса:


Автор: Павел Крыницкий (RU4PAA)